
What is an Incremental Encoder

What is an absolute encoder wi...

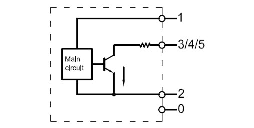
How to choose the signal outpu...

IP Enclosure Ratings & Sta...
2015 © Shanghai Hengxiang Optical Electronics Co,ltd. all rights copyright Address:Building7,Lane 115,No.1276 Nanle Road,SongJiang,Shanghai,201600 Tel:021-54613487 备案号:沪ICP备12023089号